Přístroj zásuvky telefonní dvojnásobné
pro připojení běžných koncových zařízení připojených k lince účastnického vedení rozvodu JTS
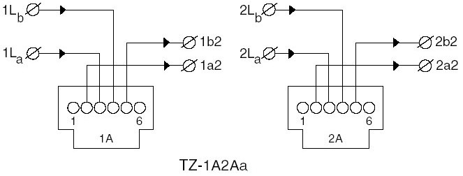
Pro připojení k vedení linky slouží šroubová svorka. Zařízení se připojuje standardní zásuvkou RJ-12 6p/4c.
200 mA, 200 Vef
Upevnění šrouby.
Šroubové svorky (pro vodiče max. 1,5 mm² (16AWG)).
zobrazit více
Pro připojení k vedení linky slouží šroubová svorka. Zařízení se připojuje standardní zásuvkou RJ-12 6p/4c.
200 mA, 200 Vef
Upevnění šrouby.
Šroubové svorky (pro vodiče max. 1,5 mm² (16AWG)).
- Kód produktu
- 5013U-A00105
- Řazení
- TZ-1A2Aa
POPIS
pro připojení běžných koncových zařízení připojených k lince účastnického vedení rozvodu JTS
Pro připojení k vedení linky slouží šroubová svorka. Zařízení se připojuje standardní zásuvkou RJ-12 6p/4c.
200 mA, 200 Vef
Upevnění šrouby.
Šroubové svorky (pro vodiče max. 1,5 mm² (16AWG)).
DOKUMENTY
| Název dokumentu | Velikost | ||
|---|---|---|---|
| Obecný návod k instalaci a používání | 695,2 kB | ||
| JPG | Schéma zapojení | 25,8 kB |

Díky cookies pro vás bude prohlížení stránek příjemnější a jednodušší. Ke zpracování některých z nich potřebujeme váš souhlas, který dáte kliknutím na „Přijmout vše“, nebo je můžete odsouhlasit jednotlivě v „Nastavit cookies“. Více informací o cookies a jejich nastavení.