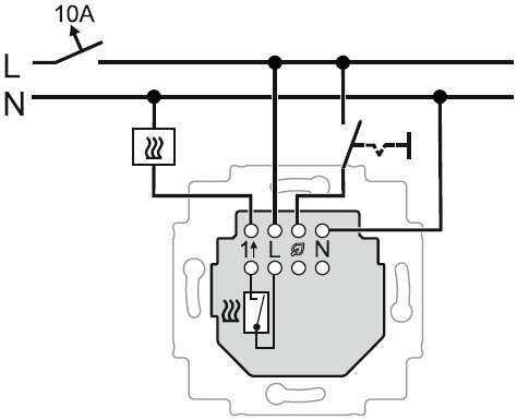
Přístroj termostatu prostorového, s otočným ovládáním
Vstup 230 V AC pro snížení teploty (o 3 K).
Nastavitelné teploty: +5 °C až +30 °C
Spínací teplotní diference: ±0,5 K
Výstup: zapínací reléový kontakt (není bezpotenciálový)
Ztrátový výkon: max. 0,15 W
Vestavná hloubka: 25 mm
10 A (4 A pro induktivní zátěž), 230 V AC
zobrazit více
Nastavitelné teploty: +5 °C až +30 °C
Spínací teplotní diference: ±0,5 K
Výstup: zapínací reléový kontakt (není bezpotenciálový)
Ztrátový výkon: max. 0,15 W
Vestavná hloubka: 25 mm
10 A (4 A pro induktivní zátěž), 230 V AC
- Kód produktu
- 2CKA001032A0525
- Typové číslo
- 1094 U-101-500
POPIS
Vstup 230 V AC pro snížení teploty (o 3 K).
Nastavitelné teploty: +5 °C až +30 °C
Spínací teplotní diference: ±0,5 K
Výstup: zapínací reléový kontakt (není bezpotenciálový)
Ztrátový výkon: max. 0,15 W
Vestavná hloubka: 25 mm
10 A (4 A pro induktivní zátěž), 230 V AC
DOKUMENTY
| Název dokumentu | Velikost | ||
|---|---|---|---|
| Návod k instalaci a používání | 247,0 kB | ||
| PNG | Schéma zapojení | 17,6 kB |

Díky cookies pro vás bude prohlížení stránek příjemnější a jednodušší. Ke zpracování některých z nich potřebujeme váš souhlas, který dáte kliknutím na „Přijmout vše“, nebo je můžete odsouhlasit jednotlivě v „Nastavit cookies“. Více informací o cookies a jejich nastavení.