Přístroj stmívače pro regulovatelné LED žárovky, pro otočné ovládání a tlačítkové spínání
Nehlučný provoz díky technologii MOS-FET.
Elektronická pojistka proti zkratu a přetížení.
Pro stmívatelné retrofitové LED žárovky (LEDi) na 230 V AC nebo napájené z vinutých či elektronických transformátorů.
Pro vakuové a halogenové žárovky na 230 V AC nebo napájené z vinutých či elektronických transformátorů.
Pro stmívatelné halogenové úsporné žárovky.
Retrofitové LED zdroje a obyčejné žárovky je možné kombinovat.
Manuálně nastavitelný režim fázové regulace na náběžné nebo sestupné hraně.
Lze kombinovat s přepínačem řazení 6, popř. 6 a 7 (pomocí přepínačů lze svítidla pouze spínat, ovládat jas není možné).
Vestavná hloubka: < 20 mm
min. 2 W/V·A, max. 100 W/V·A pro stmívatelné LED žárovky na 230 V AC (charakteristika L)
min. 2 W/V·A, max. 200 W/V·A pro stmívatelné LED žárovky na 230 V AC (charakteristika C)
min. 10 W/V·A, max. 100 W/V·A pro stmívatelné mn LED žárovky (se zdrojem L)
min. 10 W/V·A, max. 200 W/V·A pro stmívatelné mn LED žárovky (se zdrojem C)
min. 10 W/V·A, max. 100 W/V·A pro stmívatelné mn LED žárovky (se zdrojem LC)
min. 10 W, max. 360 W pro vakuové a halogenové žárovky na 230 V AC
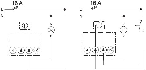
2vodičové připojení (pro zátěže < 10 W/V·A se doporučuje 3vodičové připojení s využitím svorky N).
230 V AC, 50/60 Hz
Upevnění šrouby.
Šroubové svorky (pro vodiče max. 2,5 mm²).
Při použití vinutého transformátoru max. zatížitelnost klesne cca o 20 %.
Při použití elektronického transformátoru max. zatížitelnost klesne cca o 5 %.
Při teplotě okolí vyšší než 35 °C zatížitelnost klesá (cca o 3 % / °C).
Kryt může být osvětlen doutnavkou (doutnavka se objednává samostatně nebo je součástí dodávky krytu, v závislosti na designové řadě).
- Kód produktu
- 2CKA006512A0354
- Typové číslo
- 6523 UR-104-500
- Řazení
- 6
POPIS
Nastavitelná minimální a maximální úroveň jasu.
Nehlučný provoz díky technologii MOS-FET.
Elektronická pojistka proti zkratu a přetížení.
Pro stmívatelné retrofitové LED žárovky (LEDi) na 230 V AC nebo napájené z vinutých či elektronických transformátorů.
Pro vakuové a halogenové žárovky na 230 V AC nebo napájené z vinutých či elektronických transformátorů.
Pro stmívatelné halogenové úsporné žárovky.
Retrofitové LED zdroje a obyčejné žárovky je možné kombinovat.
Manuálně nastavitelný režim fázové regulace na náběžné nebo sestupné hraně.
Lze kombinovat s přepínačem řazení 6, popř. 6 a 7 (pomocí přepínačů lze svítidla pouze spínat, ovládat jas není možné).
Vestavná hloubka: < 20 mm
min. 2 W/V·A, max. 100 W/V·A pro stmívatelné LED žárovky na 230 V AC (charakteristika L)
min. 2 W/V·A, max. 200 W/V·A pro stmívatelné LED žárovky na 230 V AC (charakteristika C)
min. 10 W/V·A, max. 100 W/V·A pro stmívatelné mn LED žárovky (se zdrojem L)
min. 10 W/V·A, max. 200 W/V·A pro stmívatelné mn LED žárovky (se zdrojem C)
min. 10 W/V·A, max. 100 W/V·A pro stmívatelné mn LED žárovky (se zdrojem LC)
min.
10 W, max.
360 W pro vakuové a halogenové žárovky na 230 V AC
2vodičové připojení
(pro zátěže < 10 W/V·A se doporučuje 3vodičové připojení s využitím svorky N).
230 V AC, 50/60 Hz
Upevnění šrouby.
Šroubové svorky (pro vodiče max. 2,5 mm²).
Při použití vinutého transformátoru max. zatížitelnost klesne cca o 20 %.
Při použití elektronického transformátoru max. zatížitelnost klesne cca o 5 %.
Při teplotě okolí vyšší než 35 °C zatížitelnost klesá (cca o 3 % / °C).
Kryt může být osvětlen doutnavkou (doutnavka se objednává samostatně nebo je součástí dodávky krytu, v závislosti na designové řadě).
DOKUMENTY
| Název dokumentu | Velikost | ||
|---|---|---|---|
| Návod k instalaci a používání | 386,8 kB | ||
| JPG | Rozměrový výkres | 33,2 kB | |
| JPG | Rozměrový výkres 2 | 30,3 kB | |
| JPG | Schéma zapojení | 24,3 kB |


.jpg)
Díky cookies pro vás bude prohlížení stránek příjemnější a jednodušší. Ke zpracování některých z nich potřebujeme váš souhlas, který dáte kliknutím na „Přijmout vše“, nebo je můžete odsouhlasit jednotlivě v „Nastavit cookies“. Více informací o cookies a jejich nastavení.