Bzučák
snížení hlasitosti vnějším bezpotenciálovým kontaktem (noční režim).
Může být použit jako samostatný signalizační prvek nebo jako součást poplachového systému.
Vestavná hloubka: 21,5 mm
15 - 28 V AC / 18 - 35 V DC
Upevnění šrouby.
Šroubové svorky (pro vodiče max. 1 mm²).
- Kód produktu
- 2TKA002128G1
- Typové číslo
- FIM 1100
- Design
- Reflex SI
- Varianta
- alpská bílá
POPIS
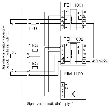
Bzučák je akustický poplachový prvek. Kmitočet zvuku je přepínatelný vnitřní propojkou. Regulátory hlasitosti pro denní a noční režim. Možnost
snížení hlasitosti vnějším bezpotenciálovým kontaktem (noční režim).
Může být použit jako samostatný signalizační prvek nebo jako součást poplachového systému.
Vestavná hloubka: 21,5 mm
15 - 28 V AC / 18 - 35 V DC
Upevnění šrouby.
Šroubové svorky (pro vodiče max. 1 mm²).
DOKUMENTY
| Název dokumentu | Velikost | ||
|---|---|---|---|
| Návod k instalaci a používání | 65,1 kB | ||
| JPG | Rozměrový výkres 2 | 69,0 kB | |
| JPG | Schéma zapojení | 43,3 kB |


Díky cookies pro vás bude prohlížení stránek příjemnější a jednodušší. Ke zpracování některých z nich potřebujeme váš souhlas, který dáte kliknutím na „Přijmout vše“, nebo je můžete odsouhlasit jednotlivě v „Nastavit cookies“. Více informací o cookies a jejich nastavení.