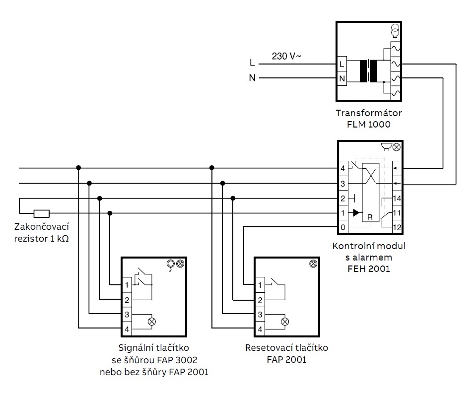
Kontrolní modul spustí alarm ihned po připojení k napájení, nereaguje na tlačítka.

Máte další otázky?

Newsletter ABB

Chcete od nás dostávat newsletter a informace o tom, co je v ABB nového? Speciální nabídky, nové produkty, tiskové zprávy, události a školení.

Elektromontéři seznam Video manuály instalace Technická podpora Obchodní kontakty
6339
produktů
a 15 designových řad
243
prodejních míst
a velkoobchodů v ČR
1052
elektromontérů
v našem klubu ABB
157
let tradice a
zkušeností s výrobou
ZPĚT NA ČASTO KLADENÉ DOTAZY

Chcete od nás dostávat newsletter
a informace o tom, co je
v ABB nového?

ZAVŘÍT